卵のコンベア搬送機器、工場暖房・体育館暖房、定量ポンプは株式会社ハイテム




ルービンスティープコンベア クライマー

急上昇タマゴ搬送コンベア






原理
ローラーチェーンを使用しないトラブルフリー構造です。
バーの両端に接合されたリンクチェーンが乗継ぎなしの上昇、カーブを可能にします。
バー1本おきに取付けられたプラスチックタブがタマゴを優しくホールドし60°の急上昇、急下降を可能にします。
バーコンベアの中心部にはサポートはなくタマゴはコンベア幅全体に拡がります。






基本コンポーネント
基本コンポーネントは、ルービン標準バーコンベアと共通です。
ストレートフレーム、カーブフレーム、上下用ピボットドライブユニット等いずれも多くの実績に支えられています
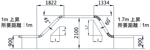
60°の上昇の場合、1.7m上昇が1mの水平距離で可能になります












□ 諸元

コンベア幅
350mm
500mm
搬送能力 卵/時
15,000
22,000
コンベア速度
6.5m/min 50Hz
7.8m/min 60Hz

ドライブユニット
フロントドライブ
中間ドライブ
ミニドライブ
出力
0.37kw
又は
0.55kw
電源

3相, 200V, 50/60Hz




□ 諸寸法


コンベアフレーム断面



諸寸法
インデックス タイプ 350 タイプ 500
A 350 500
B 390 540
Ri 750 1080
Rm 945 1350
Ra 1140 1620





最大上下角60°



ピボット
45°角まで無段階設定




スロープセグメント
30°/  45°/  60°